2025-06-26

摘要:介绍氧枪装置工作原理,使用现状及存在问题,并对存在问题提出对策。
关键词:炼钢转炉 氧枪 氧枪传动
炼钢厂炼钢转炉氧枪装置包括氧枪和氧枪升降装置,是纯氧顶吹转炉的重要设备之一,是通过用高质水冷却的吹氧管将工业纯氧送入吹炼半钢或铁水来完成冶炼钢种的任务。其升降和横移传动装置通过电气连锁与转炉倾动机械有关设备配合共同完成冶炼,更换氧枪等操作任务。
在吹炼过程中氧枪需要多次升降调整枪位,对氧枪的升降机械和更换装置提出如下要求:
(1)应具有合适的升降速度,并可以变速。
(2)应保证氧枪升降平稳,控制灵活,操作安全,结构简单,便于维护。
(3)能快速更换氧枪。
(4)为保证安全生产氧枪有相应的连锁装置,如转炉不在垂直位置,氧枪不能下降;氧枪降至炉口以内,转炉不能倾动。氧枪下降至氧气开氧点时,氧气阀自动打开,同时转为慢速运行;氧枪提升至此点时自动转为快速运行;氧枪升至关氧点时,氧气阀自动关闭,同时由慢速转为快速运行。当供氧氧压或冷却水的水压低于规定值,或冷却水的水温高于规定值时,氧枪自动提升报警。

氧枪装置由吹氧管,氧枪传动装置,升降小车,升降小车滑道及换管装置和横移小车,横移小车传动装置,平衡锤,平衡锤滑道等组成。
氧枪由3根同心无缝钢管制成,外径尺寸ф219,枪体总长17355mm,目前采用的喷头为535。吹氧管冷却采用高质水,水压为10--12kg/h,给水量≥120t/h,进水温度≤25℃,回水温度≥45℃,氧枪冷却水采用金属软管,型号:SA25JRL150A-15500,数量为两根。氧气输送软管采用同样的金属软管,氧气软管和冷却水管东西分别布置。
氧枪的升降是由提升平衡锤来实现的,平衡锤系数为1.3倍,由钢绳的两端固定在升降小车和平衡锤的滑轮支座上。传动钢绳有卷筒绕过平衡锤的滑轮固定在小底座的支架上。当开动电动机,经过减速机,由Ф800mm的卷筒提升或下降平衡锤,完成氧枪的升降。
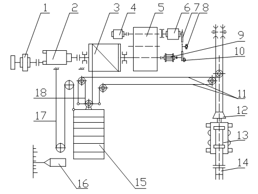
氧枪升降制动采用液压制动器,备有紧急电源,在升降过程中,发生断电时,由另外的电源打开制动器。将氧枪提出转炉炉体,如图1。

图1
1-凸50/A自整角机发动机;2-LK-168/4主令控制器;3-升降卷筒;4-数字显示仪发送器;5-减速机;6-发动机;
7-制动器;8-气缸;9-行程指示仪器;10-吹氧管配置记录发送器;11-牵引钢绳;12-吊具;13-升降小车;
14-氧枪;15-平衡锤;16-标尺钢绳;17-标尺钢绳;18-平衡锤钢绳
换管装置为一梯形吊具,由两根氧枪钢绳吊住。它同时有两个作用:一是吊挂车体,二是起换管作用。利用新换管机构可使备用枪迅速投入吹炼。防止非作业时间。
升降小车导轨全长四段,用螺钉连接,导轨的底部装有弹簧缓冲装置,以免当小车事故落下时,减少对平台的冲击。
横移装置是由电动机经过减速机,传至一端固定在横移车架上的杠杆,杠杆上有螺母,螺母固定在横移车架上,由此机构进行运动。
横移小车由型钢焊接而成,其上同时装有两台氧枪升降小车,一部是吹炼使用的工作枪,另一部为备用枪。车架上部装有四个水平轮,下部有两只水平轮和两只垂直轮,以承受全部重量和偏心负载。
目前,炼钢厂三座转炉氧枪装置存在以下的问题
(1)现在氧枪升降是利用平衡锤升降实现的,从理论上讲,平衡锤的重量为氧枪的1.3倍,大于氧枪的重量,完全能吊起氧枪,从使用的情况与现实理论有所差别,如:氧枪粘渣过多的情况,容易导致氧枪抬速慢,不能实现工艺要求。
(2)氧枪平衡锤装置对设备故障的判断带来了困难,因为要从钢绳,滑轮及平衡锤本体,氧枪小车等方面查找,费工费时,延长了设备的故障时间。在定修时,对氧枪小车、滑轮、钢绳的更换,带来了极大的不方便、费工费时。
(3)氧枪更换费时,冷却水金属软管采用法兰式联接,螺栓必须一个个松动,由于长期处于高温粉尘的区域,螺栓很难松动,更换氧枪利用钳工和吊车人工拆卸,工作时间长,劳动强度大,而且整个氧枪的更换的时间是记录在非生产作业时间中的,影响设备的可开动率。
(4)横移小车原为换枪而设置,因原设计问题而长期不使用。
(5)存在较大的安全隐患:钢绳事故拉断,重跎会下落,损坏设备或氧枪落入炉内烧坏或大量的水进入炉内,造成安全事故。

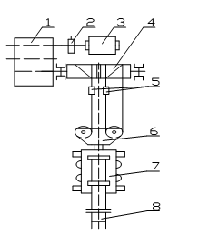
1)氧枪系统氧枪升降装置应取消平衡锤装置,取消上滑轮,重新改造。采用上驱动的形式直接完成氧枪小车的升降。氧枪升降系统由电动机通过减速机带动卷筒完成。由两根钢绳牵引氧枪小车升降,在氧枪小车上配两个滑轮,氧枪钢绳绕过滑轮,返回氧枪驱动装置平台下方,两根钢绳的长度采用平衡臂调节。在两根钢绳上使用钢绳张力传感器,设定一个值,在氧枪运行过程中起保护和限制作用,如图2。

图2
1-减速机;2-制动器;3-电机;4-钢丝绳滚筒;5-张力传感器;
6-吊具;7-升降小车;8-氧枪
这样一改,从设备上来说,数量减少,工序简化了。这样可以节约成本,节省维修时间。
2)恢复氧枪横移小车,恢复备用枪的配置。重新进行研究设计,而基本形式可借鉴提钒转炉氧枪横移小车:使用摆线针轮减速机,拖动链条,采用易液压定位技术,精确实现定位,达到工作和备用枪的互换性。
3)按照标高设计。在氧枪传动装置变化后,其基础标高肯定已有所提高。故厂房结构也要做相应的变化,一方面要核定现厂房的承载能力,加上研究设计,同时对检修所用的器具如:检修吊车,检修平台还要研究设计。
4)氧枪金属软管在更换氧枪过程中,采用快速活接,应考虑研究冷却水管的快速活接,以利于缩短换枪时间,减少非生产作业时间。
上一页: 电炉氧枪操作规程及使用方法
下一页: 提高转炉氧枪枪龄方法
最新产品
定制冶金机械设备系列:电弧炉、矿热炉、LF精炼炉、真空炉、感应炉、除尘系统、水处理设备等。提供最先进的设备集成服务,冶金设备可根据客户的不同需求进行定制,产能可根据客户要求进行调整。
电弧炉
矿热炉
LF精炼炉
VD/VOD真空精炼炉
感应炉
炉配件
导航
电子邮件: anna@srfurnace.com
电话: +86 159 2955 5868
WhatsApp: +86 159 2955 5868
地址:
陕西省西咸新区沣东自贸产业园一期5号楼D栋4层422室